- Úvod
- Katalog
- Silentblöcke
- Typ B
- Gummi puffer B - D60 - H43 - M10/15mm x M10
- Katalognummer: 340747
- Zolltarif: 40169952
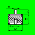
Gummi puffer B - D60 - H43 - M10/15mm x M10
Spezifikation
- Material:
- NK(NR)
- Typ:
- B
- Härte (Sh A):
- 55 (+/-5)
- Abmessung 1:
- D60 - H43
- Abmessung 2:
- M10/15mm x M10
- Innendurchmesser (d) (mm):
- 0,00
- Außendurchmesser (D) (mm):
- 60,00
- Höhe (H) (mm):
- 43,00
- Gewinde (g):
- M10
- Gewindelänge (I) (mm):
- 15
Auf Bestellung
€ 3,460 / st.
€ 4,187 inkl. MwSt.
Haben Sie eine spezielle Anforderung?
+420 777 666 555
(Mo‐Fr 7:00‐15:15)
Produktvarianten
4727 VariantenZuletzt angesehene Produkte
10 Produkte




















