- Úvod
- Katalog
- Silentblöcke
- Typ B
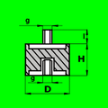
- Gummi puffer B - D100 - H55 - M12/37mm x M12
- Katalognummer: 342040
- Zolltarif: 40169952
Gummi puffer B - D100 - H55 - M12/37mm x M12
Spezifikation
- Material:
- NK(NR)
- Typ:
- B
- Härte (Sh A):
- 55 (+/-5)
- Abmessung 1:
- D100 - H55
- Abmessung 2:
- M12/37mm x M12
- Innendurchmesser (d) (mm):
- 0,00
- Außendurchmesser (D) (mm):
- 100,00
- Höhe (H) (mm):
- 55,00
- Gewinde (g):
- M12
- Gewindelänge (I) (mm):
- 37
Auf Bestellung
€ 10,179 / st.
€ 12,316 inkl. MwSt.
Haben Sie eine spezielle Anforderung?
+420 777 666 555
(Mo‐Fr 7:00‐15:15)
Produktvarianten
4727 VariantenZuletzt angesehene Produkte
10 Produkte




















